Home  
Map  

LuxLink™ Optical Switches

Optical switches are utilized to disconnect, bypass and reroute fiber optic communications.  All Optical switches are available in multi mode versions (-3 for ST connectors, -4 for SC connectors)  or single mode versions (-5 for SC connectors, -7 for FC/PC connectors)

All our switches are listed below.  Click to jump to class of switch
   A/B switches
   Bypass Switches
   Power Detection Switches
   Single Pole, Single Throw switches

 Model  Description  
 OS-3122  Single Optical Bypass Switch / Relay Block diagram of optical bypass swtich
 --- Provides a bypass of node in a fiber ring, (e.g. failsafe).
 
 OS-3222  Dual Optical Bypass Switch / Relay
--- Provides a bypass of node in a dual fiber ring. Two OS-3122 in single housing
 OS-3111  
Single Pole Single Throw Optical Cutoff Switch (SPST, Normally Open) Block diagram of optical cutoff swtich
 OS-3211  
Double Pole Single Throw Optical Cutoff Switch (DPST, Normally Open) Block diagram of dual optical cutoff swtich
 OS-5111  
Single Pole Single Throw Optical Cutoff Switch (SPST, Normally Closed) Block diagram of optical swtich
 OS-5211  
Double Pole Single Throw Optical Cutoff Switch (DPST, Normally Closed)
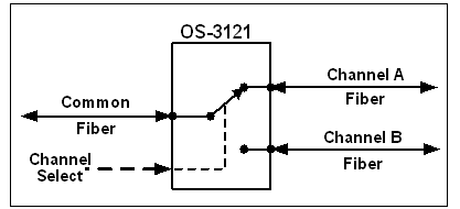
 OS-3121  
Fiber Optic A/B Switch  (Single Pole Double Throw) Block diagram of optical A/B swtich
OS-3221
Fiber Optic Dual Path A/B Switch  (Double Pole Double Throw)
 Block diagram of Dual Optical A/B Swtich
 OS-4111
 Optical Path Tamper Sense Switch (SPST)
 --- Detects tampering of optical path and blocks communication Block diagram of optical path tamper detection switch
 OS-4121
 Redundant Path Optical Switch
 --- Detects loss of optical signal and switches to backup path. Automatic Optic Switch Block Diagram
OS-7121
Redundant Bidirectional Path Optical Switch
--- Detects loss of optical signal and switches to backup path. Block diagram of optical protection swtich
 Accessories    
 ALM-1000  Alarm module
 DIN-1000  DIN Rail Mounting Adapter
 RMP-1000,
   2000, 3000
 Rack mounting panel
 PS-1205 US  Power Supply (US Wall Plug 0.5 Amp)
 PS-1208 EU  Power Supply (European Union Wall Plug 0. 8 Amp)
 PS-1210,
 PS-1260
 Power Supplies (1 & 6 Amp)

Remember, If you don't find the product you need, call as not all the available products are listed on the web.                               
 


LuxLink

Voice: 1-516-931-2800

Email:  Contact Us